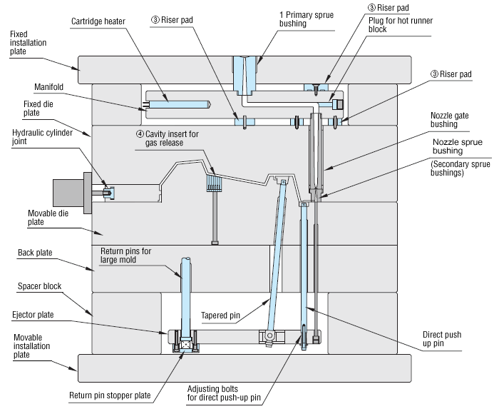
COMPONENTS OF LARGE MOLD
Outline for Open Gate Hot Runners

| No. | Name | Part Number |
|---|---|---|
![]() |
Patch Plates | STPX |
![]() |
Side Cotter Blocks | LKWN |
![]() |
Riser Pads | RPS□ |
![]() |
Cavity Inserts for Gas Release | BGV |
| - | Primary Sprue Bushings | SBHFM |
| - | Plugs for Hot Runner Block | HRBC HRBS |
| - | Hydraulic Cylinder Joint | CCRT CCRM |
| - | Return Pin Stopper Plates | ROPS ROPL |
| - | Adjusting Bolts for Direct Push-up Pins | KAJB |











